



熱門資訊
聯系我們
上海沁艾機械設備有限公司
聯系人:李先生
手 機:17602111432
電 話:021-67320228
傳 真:021-67320228
郵 箱:shqinai@sina.cn
地 址:上海市金山區朱涇工業區鴻尊路369號
皮帶輸送機中的滾筒是輸送機必不可少的基本組成部件。滾筒失效將直接導致整條輸送線停機,對正常生產影響很大,同時還會帶來繁重的維修工作量。
滾筒包膠磨損嚴重是導致滾筒失效的主要原因。 因此,減輕滾筒包膠磨損就成為輸送設備優化管理工作的一項重要任務。目前我國對滾筒包膠磨損建模的研究非常少,因此,開展該領域的研究工作,對減輕包膠磨損對生產的影響、降低維修成本和工作量、節 約資源和優化輸送設備管理等方面都有著重大的現實意義和理論意義。
1、滾筒包膠磨損的主要因素
滾筒包膠是橡膠制品,它的組織結構是一種微觀的層狀結構。通過對現場包膠磨損情況的觀察研究,發現其磨損表現為表面周期性地產生微小的舌狀物撕裂,以及在拉伸作用下舌狀物發生斷裂兩個過程,而這兩個過程是大面積發生的,這就出現了宏觀磨損,屬于典型的磨粒磨損。
通過對不同工況條件下的滾筒包膠磨損原因進行 分析可知,滾筒包膠與輸送帶接觸面的正壓力較大、滾筒所處環境煤塵灑落較多時,包膠磨損比較嚴重,滾筒更換較頻繁。統計結果如圖1所示。

圖1 滾筒包膠磨損原因統計
依據統計數據,結合滾筒磨損的現場實際情況,以及橡膠磨損學知識,將滾筒包膠磨損的主要因素歸結為:滾筒包膠與輸送帶間的正壓力,充斥到輸送帶與包膠之間的磨損介質——煤塵微粒,以及輸送帶在張力變化時與滾筒包膠之間存在的彈性摩擦。
2、滾筒包膠的磨損機理
磨損是指摩擦副表面作相對運動時,由于機械與(或)化學作用所發生的材料脫落現象。滾筒包膠磨損的主要原因,同樣是包膠與接觸介質之間在較大正壓發生了相對運動。這樣,在研究滾筒包膠磨損就有以下3個重要影響因素。
(1)包膠的接觸介質。皮帶輸送機專門用于運輸煤炭時,因在輸送帶和滾筒之間存在著大量的煤炭微粒。通過現場大量觀察研究發現,在分布范圍和厚度方面,這些微粒在輸送帶和滾筒上基本可以認為是均勻分布。
(2)包膠層受到的正壓力。這個壓力主要是來自輸送帶的張緊力。皮帶輸送機要保證正常運轉,需要在輸送帶上施加適當的張緊力,以保證輸送帶在啟停及運轉過程中不致出現打滑現象。
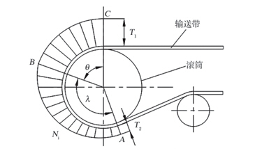
(3)包膠與接觸介質之間的相對運動。這種相對運動可以分為兩種:一種是在皮帶輸送機啟動和停止的瞬間,滾筒包膠與輸送帶之間會存在瞬時的相對運動,這種相對運動存在的時間短,且是間歇性出現;另一種是在皮帶輸送機運行中,由于輸送帶與滾筒包膠之間存在摩擦力矩的作用,因此滾筒兩邊的輸送帶受到的張力并不相等,如圖2所示。

圖2 滾筒所受張力示意
輸送帶作為一種橡膠制品,在張力變化時所產生的長度變化是很明顯的。皮帶輸送機運行時,輸送帶從接觸到滾筒到脫離滾筒這一時間段內,會連續發生長度變化;在相對于滾筒轉動速度以外,輸送帶與包膠之間存在彈性滑動,這種滑動在皮帶輸送機正常運行時會一直發生,是導致滾筒包膠與接觸介質之間相對運動的主要原因。